TYPE: HR-5714P
NAME:?57carbon steel roller conveyor


>>details
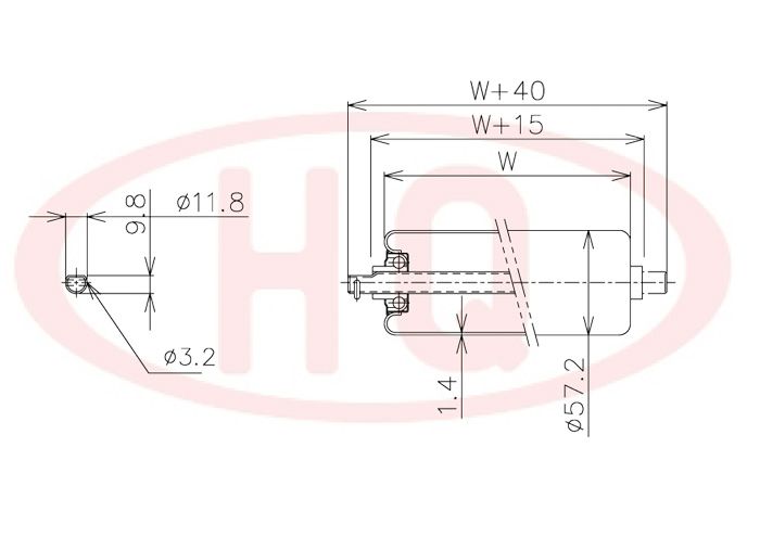
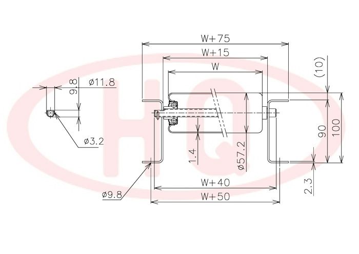
1.roller diameter:?57mm
2.frame: 90mm U-steel
3.width: 100mm~1000mm
4.Load capacity: max240kg
>>Spe.
(U: mm)
| roller width W (mm) | 100 | 200 | 300 | 400 | 500 | 600 | 700 | 800 | 900 | 1,000 | ||
| conveyor width W+75 (mm) | 175 | 275 | 375 | 475 | 575 | 675 | 775 | 875 | 975 | 1,075 | ||
| roller load capacity (kg) | 240 | 210 | 180 | 150 | 118 | 98 | 88 | 80 | 70 | 60 | ||
| conveyor weight 3,000L (kg) | 75P | 30.7 | 39.1 | 47.5 | 56.0 | 64.4 | 74.2 | 82.6 | 91.0 | 99.4 | 107.8 | |
| 100P | 27.0 | 33.4 | 40.0 | 46.3 | 52.7 | 60.5 | 66.9 | 73.3 | 79.7 | 86.1 | ||
| roller weight(shaft) (g) | 370 | 570 | 770 | 970 | 1,170 | 1,370 | 1,570 | 1,770 | 1,970 | 2,170 | ||
>>drawings




